襯(chen)氟(fu)閥(fa)門(men)
氟(fu)Y型(xing)過(guo)濾(lv)器(qi).jpg)
襯(chen)氟(fu)Y型(xing)過(guo)濾(lv)器(qi)
GL41F46 襯(chen)氟(fu)Y型(xing)過(guo)濾(lv)器(qi)是用(yong)來(lai)清(qing)除腐蝕性(xing)介(jie)質(zhi)中(zhong)的雜(za)質(zhi),保(bao)護(hu)泵(beng)、閥(fa)門(men)及(ji)其(qi)它(ta)設(she)備的正常使用(yong)。壹般(ban)通水(shui)網為20-60目/cm2,通(tong)氣網為40-100目/cm2通(tong)油(you)網為100-480目/cm2。可(ke)根據(ju)介(jie)質(zhi)相(xiang)應配(pei)置。
襯(chen)氟(fu)Y型(xing)過(guo)濾(lv)器(qi)產品(pin)概(gai)述:
GL41F46 襯(chen)氟(fu)Y型(xing)過(guo)濾(lv)器(qi)是用(yong)來(lai)清(qing)除腐蝕性(xing)介(jie)質(zhi)中(zhong)的雜(za)質(zhi),保(bao)護(hu)泵(beng)、閥(fa)門(men)及(ji)其(qi)它(ta)設(she)備的正常使用(yong)。壹般(ban)通水(shui)網為20-60目/cm2,通(tong)氣網為40-100目/cm2通(tong)油(you)網為100-480目/cm2。可(ke)根據(ju)介(jie)質(zhi)相(xiang)應配(pei)置。由於過(guo)濾(lv)器(qi)內(nei)壁(bi)及(ji)濾(lv)網均采用耐(nai)腐蝕性(xing)極(ji)強的四(si)氟(fu)制成(cheng),因此該產品(pin)被廣泛(fan)應用(yong)於各(ge)種(zhong)腐蝕性(xing)管(guan)路(lu)中(zhong)。襯(chen)氟(fu)Y型(xing)過(guo)濾(lv)器(qi)閥(fa)體內腔和濾(lv)網全部(bu)襯(chen)氟(fu)塑料,該產品(pin)在(zai)幾乎所有(you)的強酸(suan)強堿(jian)和(he)有機(ji)溶(rong)劑(ji)等(deng)介質(zhi)中(zhong)均(jun)攤能(neng)使用(yong),其(qi)介質(zhi)流量與(yu)閥(fa)門(men)開度(du)基(ji)本呈流線(xian)性(xing)遞增(zeng),可(ke)用(yong)於控(kong)制(zhi)閥(fa)的流量。
襯(chen)氟(fu)Y型(xing)過(guo)濾(lv)器(qi)產品(pin)特(te)點:
1. 襯(chen)氟(fu)Y型(xing)過(guo)濾(lv)器(qi)體符合(he)《化(hua)工管(guan)道(dao)過(guo)濾(lv)器(qi)》HG/T 21637-1991或(huo)《鋼制壓(ya)力(li)容(rong)器(qi)》GB150-1998規範(fan)。
2.多(duo)種(zhong)內(nei)襯(chen)氟(fu)材(cai)料選擇(ze):PTFE、PVDF、PFA、ECTFE、FEP、PO、PE。
3.可(ke)耐(nai)強酸(suan)和強堿(jian),PH可(ke)達1-14。
4.可抵(di)禦(yu)小(xiao)分(fen)子(zi)氣體的滲(shen)透(tou),包括(kuo)氧(yang)、二氧(yang)化(hua)碳.
5.高(gao)純,析(xi)出率(lv)極(ji)低,符(fu)合(he)光(guang)伏(fu)行(xing)業(ye)的純凈要求(qiu)。
6.使(shi)用溫(wen)度(du)寬(kuan)泛(fan),從(cong)超低(di)溫(wen)度(du)至(zhi)260℃。
7.表面極(ji)其(qi)光滑,摩擦(ca)系(xi)數(shu)很小(xiao)。
8.機(ji)械性(xing)能(neng)強,堅(jian)固、耐(nai)磨(mo)損性(xing)能(neng)佳。
襯(chen)氟(fu)Y型(xing)過(guo)濾(lv)器(qi)主要零(ling)件材(cai)料:
序(xu)號 | 零(ling)件名(ming)稱 | 材(cai)料名(ming)稱 | |||||
1 | 閥(fa)體 | HT250 | WCB | CF8 | CF3 | CF8M | CF3M |
2 | 閥(fa)蓋(gai) | HT250 | WCB | 304 | 304L | 316 | 316L |
3 | 過濾(lv)網 | PTFE(F4)+316 | |||||
4 | 螺栓(shuan) | 35 | 35 | 1Cr17Ni2 | 1Cr18Ni9 | 1Cr17Ni2 | 1Cr18Ni9 |
5 | 螺母 | 45 | 45 | 0Cr18Ni9 | 0Cr18Ni9 | 0Cr18Ni9 | 0Cr18Ni9 |
6 | 內(nei)襯(chen)材(cai)料 | FEP(F46)、PCTFE(F3)、PTFE(F4)、PO(聚烯(xi)烴(ting)) | |||||
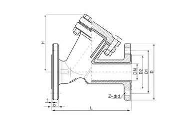
襯(chen)氟(fu)Y型(xing)過(guo)濾(lv)器(qi)主要連接(jie)尺(chi)寸(cun):‘

| 公稱通徑 | 主要鏈(lian)接(jie)尺(chi)寸(cun) | |||||||
| DN | NPS | L | D | D1 | D2 | f | b | z-d |
| mm | inch | PN1.0MPa | ||||||
| 15 | 1/2 | 150 | 160 | 95 | 65 | 3 | 16 | 4-14 |
| 20 | 3/4 | 150 | 170 | 105 | 75 | 3 | 18 | 4-14 |
| 25 | 1 | 160 | 180 | 115 | 85 | 3 | 18 | 4-14 |
| 32 | 5/4 | 180 | 200 | 140 | 100 | 3 | 18 | 4-18 |
| 40 | 3/2 | 200 | 260 | 150 | 110 | 3 | 18 | 4-18 |
| 50 | 2 | 230 | 260 | 165 | 125 | 3 | 18 | 4-18 |
| 65 | 5/2 | 290 | 330 | 185 | 145 | 3 | 18 | 4-18 |
| 80 | 3 | 310 | 340 | 200 | 160 | 3 | 20 | 8-18 |
| 100 | 4 | 350 | 400 | 220 | 180 | 3 | 20 | 8-18 |
| 125 | 5 | 400 | 480 | 250 | 210 | 4 | 22 | 8-18 |
| 150 | 6 | 480 | 500 | 285 | 240 | 4 | 22 | 8-22 |
| 200 | 8 | 600 | 560 | 340 | 295 | 4 | 24 | 8-22 |
相關(guan)產品(pin)


