襯氟閥(fa)門(men)
閥(fa).jpg)
襯氟球(qiu)閥(fa)
Q41F46 襯氟球(qiu)閥(fa)采用全(quan)通(tong)徑、浮(fu)動(dong)球(qiu)結構,閥(fa)門(men)可(ke)在(zai)整個(ge)壓(ya)力範(fan)圍內進(jin)行無泄(xie)漏關(guan)閉,更(geng)便於(yu)管路系(xi)統的通(tong)球掃(sao)線(xian)和管路維護
襯氟球(qiu)閥(fa)產(chan)品(pin)用途:
Q41F46 襯氟球(qiu)閥(fa)內腔及(ji)球(qiu)體(ti)均(jun)采用高壓(ya)註(zhu)塑工(gong)藝襯有耐腐蝕(shi)、耐老化(hua)的聚(ju)全(quan)氟乙丙稀(F46),故(gu)具有可靠的耐腐蝕(shi)性和密封性(xing)。廣泛(fan)用於化(hua)工(gong)、石(shi)油、冶金(jin)、醫(yi)藥(yao)等(deng)工(gong)業(ye)部(bu)門(men),實(shi)現(xian)對生產(chan)過(guo)程中酸(suan)、堿(jian)等強腐蝕(shi)介(jie)質(zhi)的調(tiao)節(jie)或切斷,在水處理過(guo)程控制(zhi)中(zhong)使用效果明(ming)顯。
Q41F46襯氟球(qiu)閥(fa)產(chan)品(pin)特點:
1、采用FEP襯裏層(ceng)的(de)球(qiu)閥(fa),具有極高的(de)化(hua)學穩(wen)定(ding)性,可(ke)以(yi)適用除“熔(rong)融堿(jian)金屬(shu)和元(yuan)素氟”,以(yi)外其(qi)它(ta)任(ren)何(he)強(qiang)腐蝕(shi)性質(zhi)
2、采用全(quan)通(tong)徑、浮(fu)動(dong)球(qiu)結構,閥(fa)門(men)可(ke)在(zai)整個(ge)壓(ya)力範(fan)圍內進(jin)行無泄(xie)漏關(guan)閉,更(geng)便於(yu)管路系(xi)統的通(tong)球掃(sao)線(xian)和管路維護
3、啟閉(bi)件(jian)球件(jian)與閥(fa)桿(gan)鑄(鍛)為(wei)壹(yi)體(ti),杜絕(jue)了由(you)於壓力變化(hua)引起(qi)閥(fa)桿(gan)沖出承壓件(jian)內的(de)可能性(xing),從(cong)根本(ben)上(shang)保證(zheng)了工(gong)程中的(de)使(shi)用安全(quan)性
4、結構緊湊合理,閥(fa)體(ti)內腔空(kong)間(jian) 小,減小了介(jie)質(zhi)滯(zhi)留,另外(wai),特殊的模(mo)壓(ya)工(gong)藝,使(shi)密封面(mian)致密度良好,加(jia)之(zhi)人(ren)字環(huan)形(xing)PTFE填(tian)料(liao)組(zu)合(he),使閥(fa)門(men)達(da)到零(ling)泄(xie)漏
5、兩(liang)片(pian)式(shi)、三片(pian)式(shi)結構可適(shi)應各(ge)種不同(tong)要(yao)求(qiu)的(de)管(guan)路系(xi)統和工(gong)況(kuang)條(tiao)件(jian),其(qi)中(zhong)三片(pian)球(qiu)閥(fa)允許(xu)主(zhu)閥(fa)體(ti)與兩(liang)側(ce)閥(fa)體(ti)分離(li),可實(shi)現在線快(kuai)速(su)更換(huan)。
Q41F46襯氟球(qiu)閥(fa)執行標準:
設(she)計標(biao)準:GB12237
結構長度:GB12221
法(fa)蘭(lan)標準:JB/T79-94 GB9113.1-26
檢驗(yan)試驗(yan):JB/T9092-99
Q41F46襯氟球(qiu)閥(fa)零件(jian)材料表(biao):
| 序號(hao) | 零(ling)件(jian)名稱(cheng) | 灰鑄(zhu)鐵 | 鑄(zhu)鋼 | 不銹耐酸鑄(zhu)鋼 | 超(chao)低(di)碳不銹耐酸鑄(zhu)鋼 | ||
| Z | C | P | R | PL | RL | ||
| 1 | 閥(fa)體(ti)/閥(fa)蓋 | HT250 | WCB | CF8 | CF8M | CF3 | CF3M |
| 2 | 球(qiu)體(ti)/閥(fa)桿(gan) | WCB | CF8 | CF8M | CF3 | CF3M | |
| 3 | 襯裏/閥(fa)座(zuo) | PCTEF(F3),FEP(F46),PFA(可(ke)溶F4),PP,PO | |||||
| 4 | 填(tian)料(liao)壓蓋 | WCB | CF8 | CF8M | CF3 | CF3M | |
| 5 | 填(tian)料(liao) | PTFE(F4) | PTFE(F4) | PTFE(F4) | |||
| 6 | 支(zhi)架(jia) | 35 | 1Cr18Ni9Ti | 1Cr18Ni9Ti | |||
| 7 | 螺(luo)栓(shuan) | 35 | Cr17Ni2 | 1Cr18Ni2 | |||
| 8 | 緊固(gu)螺(luo)母 | 45 | 0Cr18Ni9 | 0Cr18Ni9 | |||
| 9 | 操作(zuo)手柄 | WCB | WCB | WCB | |||
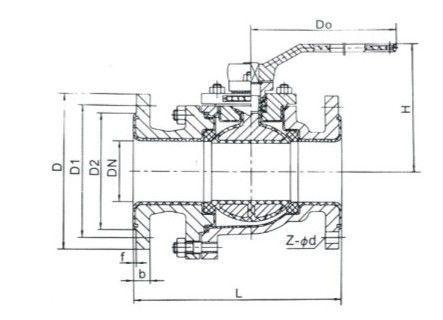
Q41F46襯氟球(qiu)閥(fa)--主(zhu)要外(wai)形(xing)和連接尺(chi)寸:

| 公稱(cheng)通(tong)經 | L | D | D1 | D2 | f | b | Z-φd | |
| DN(mm) | NPS(inch) | PN1.0MPa | ||||||
| 15 | 1/2 | 130 | 95 | 65 | 45 | 2 | 14 | 4-φ14 |
| 20 | 3/4 | 140 | 105 | 75 | 55 | 2 | 16 | 4-φ14 |
| 25 | 1 | 150 | 115 | 85 | 65 | 2 | 16 | 4-φ14 |
| 32 | 5/4 | 165 | 135 | 100 | 78 | 2 | 18 | 4-φ18 |
| 40 | 3/2 | 180 | 145 | 110 | 85 | 3 | 18 | 4-φ18 |
| 50 | 2 | 200 | 160 | 125 | 100 | 3 | 20 | 4-φ18 |
| 65 | 5/2 | 220 | 180 | 145 | 120 | 3 | 20 | 4-φ18 |
| 80 | 3 | 250 | 195 | 160 | 135 | 3 | 22 | 4-φ18 |
| 100 | 4 | 280 | 215 | 180 | 155 | 3 | 22 | 8-φ18 |
| 125 | 5 | 320 | 245 | 210 | 185 | 3 | 24 | 8-φ18 |
| 150 | 6 | 360 | 280 | 240 | 210 | 3 | 24 | 8-φ23 |
| 200 | 8 | 457 | 335 | 295 | 265 | 3 | 26 | 8-φ23 |
| 250 | 10 | 533 | 390 | 350 | 320 | 3 | 28 | 12-φ23 |
| PN1.6MPa | ||||||||
| 15 | 1/2 | 130 | 95 | 65 | 45 | 2 | 14 | 4-φ14 |
| 20 | 3/4 | 130 | 105 | 75 | 55 | 2 | 16 | 4-φ14 |
| 25 | 1 | 140 | 115 | 85 | 65 | 2 | 16 | 4-φ14 |
| 32 | 5/4 | 165 | 135 | 100 | 78 | 2 | 18 | 4-φ18 |
| 40 | 3/2 | 165 | 145 | 110 | 85 | 3 | 18 | 4-φ18 |
| 50 | 2 | 203 | 160 | 125 | 100 | 3 | 20 | 4-φ18 |
| 65 | 5/2 | 222 | 180 | 145 | 120 | 3 | 20 | 4-φ18 |
| 80 | 3 | 241 | 195 | 160 | 135 | 3 | 22 | 8-φ18 |
| 100 | 4 | 305 | 215 | 180 | 155 | 3 | 24 | 8-φ18 |
| 125 | 5 | 356 | 245 | 210 | 185 | 3 | 26 | 8-φ18 |
| 150 | 6 | 394 | 280 | 240 | 210 | 3 | 28 | 8-φ23 |
| 200 | 8 | 457 | 335 | 295 | 265 | 3 | 30 | 12-φ23 |
相(xiang)關(guan)產(chan)品(pin)


