不(bu)銹(xiu)鋼蝶閥
銹(xiu)鋼氣(qi)動硬密(mi)封(feng)蝶閥.jpg)
不(bu)銹(xiu)鋼氣(qi)動硬密(mi)封(feng)法蘭蝶閥
D643W 不(bu)銹(xiu)鋼氣(qi)動硬密(mi)封(feng)法蘭蝶閥是種(zhong)高性能、長壽命(ming)蝶閥,主要(yao)由(you)氣(qi)動執(zhi)行(xing)裝(zhuang)置與不(bu)銹(xiu)鋼蝶閥組成(cheng),閥體(ti)與(yu)碟板(ban)均(jun)采用(yong)不(bu)銹(xiu)鋼材(cai)質制(zhi)作(zuo),具(ju)有(you)耐(nai)高溫、防腐(fu)蝕、耐(nai)高壓(ya)等(deng)特(te)點(dian)。
不(bu)銹(xiu)鋼氣(qi)動硬密(mi)封(feng)法蘭蝶閥產品簡(jian)介:
D643W 不(bu)銹(xiu)鋼氣(qi)動硬密(mi)封(feng)法蘭蝶閥是種(zhong)高性能、長壽命(ming)蝶閥,主要(yao)由(you)氣(qi)動執(zhi)行(xing)裝(zhuang)置與不(bu)銹(xiu)鋼蝶閥組成(cheng),閥體(ti)與(yu)碟板(ban)均(jun)采用(yong)不(bu)銹(xiu)鋼材(cai)質制(zhi)作(zuo),具(ju)有(you)耐(nai)高溫、防腐(fu)蝕、耐(nai)高壓(ya)等(deng)特(te)點(dian)。按連接方(fang)式不(bu)同(tong)可(ke)分(fen)為(wei)法蘭、對夾(jia)式(shi)或焊接式(shi),不(bu)僅(jin)適用於開(kai)關兩位(wei)切(qie)斷(duan)控(kong)制(zhi),並可(ke)裝(zhuang)配(pei)閥(fa)門(men)定(ding)位(wei)器,實(shi)現(xian)對(dui)介質流(liu)量(liang)、溫度、壓(ya)力等(deng)參(can)數(shu)的(de)比例調節。不(bu)銹(xiu)鋼氣(qi)動蝶閥可(ke)廣(guang)泛應(ying)用(yong)於高溫、高壓(ya)以(yi)及低(di)溫、防火(huo)等(deng)管(guan)道(dao)作(zuo)開(kai)關切(qie)斷(duan)或調節(jie)使用(yong)。
不(bu)銹(xiu)鋼氣(qi)動硬密(mi)封(feng)法蘭蝶閥工作(zuo)原理:
D643W 不(bu)銹(xiu)鋼氣(qi)動硬密(mi)封(feng)法蘭蝶閥是以(yi)壓縮空氣(qi)(空壓機(ji))為動力源,通過電(dian)磁(ci)閥換(huan)向(xiang)去(qu)驅動氣(qi)動執(zhi)行(xing)器,氣(qi)動執(zhi)行(xing)器帶(dai)動碟板(ban)做(zuo)0-90°的(de)來(lai)回(hui)旋(xuan)轉動作(zuo),從(cong)而達到對(dui)閥(fa)門(men)的(de)開(kai)啟和(he)關閉(bi)。可(ke)根(gen)據(ju)工況(kuang)需(xu)要(yao),裝(zhuang)配(pei)上(shang)閥門(men)定(ding)位(wei)器,控(kong)制(zhi)碟板(ban)的(de)旋轉開(kai)度,達(da)到對(dui)介(jie)質流(liu)量(liang)等(deng)各(ge)項參數(shu)的(de)智能調(tiao)節型(xing)控(kong)制(zhi)。
不(bu)銹(xiu)鋼氣(qi)動硬密(mi)封(feng)法蘭蝶閥優點(dian):
1、氣(qi)動不(bu)銹(xiu)鋼蝶閥結構(gou)緊(jin)湊(cou)、體(ti)積小(xiao)、重量(liang)輕、操(cao)作(zuo)靈(ling)活(huo)、使用(yong)方(fang)便。
2、不(bu)銹(xiu)鋼蝶閥采用(yong)三(san)維偏(pian)心(xin)彈(dan)性或多(duo)層(ceng)次(ci)硬(ying)密(mi)封(feng)結(jie)構(gou),,密(mi)封(feng)性能可(ke)靠(kao),其(qi)中軟(ruan)密(mi)封(feng)可(ke)達(da)到零(ling)泄漏;
3、氣(qi)動不(bu)銹(xiu)鋼蝶閥具(ju)有(you)耐(nai)高溫、高壓(ya)以(yi)及耐(nai)腐蝕、耐(nai)磨(mo)損(sun)等(deng)特(te)點(dian)。
4、具(ju)有(you)雙向(xiang)密(mi)封(feng)功(gong)能,並且(qie)安(an)裝(zhuang)方(fang)便,安(an)裝(zhuang)時(shi)不(bu)受(shou)介質流(liu)向(xiang)的(de)控(kong)制(zhi),也(ye)不(bu)受(shou)空間位(wei)置的(de)影響(xiang),可(ke)在(zai)任(ren)何(he)方(fang)向安(an)裝(zhuang)。
D643W 不(bu)銹(xiu)鋼氣(qi)動硬密(mi)封(feng)法蘭蝶閥主要(yao)性能規(gui)範:
公(gong)稱通(tong)徑(jing) | DN(mm) | 50-4000 | ||
公(gong)稱壓(ya)力 | PN(MPa) | 1.0 | 1.6 | 2.5 |
試驗壓(ya)力(li) | 強度試驗 | 1.5 | 2.4 | 3.75 |
密(mi)封(feng)試驗 | 1.1 | 1.76 | 2.75 | |
氣(qi)密(mi)封(feng)試驗 | 0.6 | 0.6 | 0.6 | |
D643W 不(bu)銹(xiu)鋼氣(qi)動硬密(mi)封(feng)法蘭蝶閥零(ling)部件材(cai)料:
型(xing)號 | D343H-16 | D343W-16P | D343W-16R | |
工作(zuo)壓(ya)力(MPa) | 1.6 | |||
適(shi)用(yong)溫度(℃) | ≤425 | ≤200 | ||
適(shi)用(yong)介(jie)質 | 水、油或非(fei)腐(fu)蝕性介質 | 硝(xiao)酸(suan)類(lei)介質 | 醋酸(suan)類(lei)介質 | |
材(cai)料 | 閥(fa)體(ti)、蝶板 | WCB | CF8/304 | CF3M/316L |
閥(fa)桿(gan) | 2Cr13 | 304 | 316L | |
閥(fa)體(ti)密(mi)封(feng)面(mian) | 堆(dui)焊 507 | - | - | |
蝶板密(mi)封(feng)面(mian) | 304+柔性石(shi)墨(mo) | 304+PTFE | 304+PTFE | |
填料(liao) | 柔性石(shi)墨(mo) | PTFE | PTFE | |
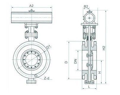
D643W 不(bu)銹(xiu)鋼氣(qi)動硬密(mi)封(feng)法蘭蝶閥--主要(yao)連接及外形尺寸(cun):

| 公(gong)稱通(tong)徑(jing) DN | 結構(gou)長度L | 外形尺寸(cun)(參(can)考值(zhi)) | 連接(標(biao)準值(zhi)) | 參(can)考 重(zhong)量(liang)Dt343H | ||||||||||
| H | Dt343H | PN0.6MPa | PN1.0MPa | |||||||||||
| mm | inch | 短 | 長 | H1 | A1 | B1 | D | D1 | z-d | D | D1 | z-d | ||
| 50 | 2 | 108 | 150 | 112 | 350 | 180 | 200 | 140 | 110 | 4-14 | 165 | 125 | 4-18 | 17 |
| 65 | 5/2 | 112 | 170 | 115 | 370 | 180 | 200 | 160 | 130 | 4-14 | 185 | 145 | 4-18 | 20 |
| 80 | 3 | 114 | 180 | 120 | 380 | 180 | 200 | 190 | 150 | 4-18 | 200 | 160 | 8-18 | 23 |
| 100 | 4 | 127 | 190 | 138 | 420 | 180 | 200 | 210 | 170 | 4-18 | 220 | 180 | 8-18 | 25 |
| 125 | 5 | 140 | 200 | 164 | 460 | 180 | 200 | 240 | 200 | 8-18 | 250 | 210 | 8-18 | 40 |
| 150 | 6 | 140 | 210 | 175 | 555 | 270 | 280 | 165 | 225 | 8-18 | 285 | 240 | 8-22 | 47 |
| 200 | 8 | 152 | 230 | 208 | 605 | 270 | 280 | 320 | 280 | 8-18 | 340 | 295 | 8-22 | 60 |
| 250 | 10 | 165 | 250 | 243 | 680 | 270 | 280 | 375 | 335 | 12-18 | 395 | 350 | 12-22 | 95 |
| 300 | 12 | 178 | 270 | 283 | 800 | 380 | 420 | 440 | 395 | 12-22 | 445 | 400 | 12-22 | 124 |
| 350 | 14 | 190 | 290 | 310 | 835 | 380 | 420 | 490 | 445 | 12-22 | 505 | 460 | 16-22 | 181 |
| 400 | 16 | 216 | 310 | 340 | 915 | 450 | 470 | 540 | 495 | 16-22 | 565 | 515 | 16-26 | 260 |
| 450 | 18 | 222 | 330 | 380 | 960 | 480 | 490 | 595 | 550 | 16-22 | 615 | 565 | 20-26 | 338 |
| 500 | 20 | 229 | 350 | 410 | 1020 | 480 | 490 | 645 | 600 | 20-22 | 670 | 620 | 20-26 | 360 |
| 600 | 24 | 267 | 390 | 470 | 1225 | 480 | 660 | 755 | 705 | 20-26 | 780 | 725 | 20-30 | 540 |
| 700 | 28 | 292 | 430 | 550 | 1355 | 640 | 660 | 860 | 810 | 24-26 | 895 | 840 | 24-30 | 580 |
| 800 | 32 | 318 | 470 | 640 | 1470 | 640 | 660 | 975 | 920 | 24-30 | 1015 | 950 | 24-33 | 845 |
| 900 | 36 | 330 | 510 | 710 | 1545 | 750 | 860 | 1075 | 1020 | 24-30 | 1115 | 1050 | 28-33 | 1050 |
| 1000 | 40 | 410 | 550 | 770 | 1795 | 850 | 860 | 1175 | 1120 | 28-30 | 1230 | 1160 | 28-36 | 1500 |
| 1200 | 48 | 470 | 630 | 890 | 1965 | 850 | 900 | 1405 | 1340 | 32-33 | 1455 | 1380 | 32-39 | 2000 |
相關產品


